Врезные почтовые замочки(бывают и интересные экземпляры)

Автор Aquarius, 01 августа, 2010г., 14:14

« предыдущая - следующая »

0 Пользователей и 1 гость просматривают эту тему.



Cherepov

10 декабря, 2010г., 16:02 #60 Последнее редактирование: 10 декабря, 2010г., 16:04 от Cherepov
Цитата: Aquarius от 09 декабря, 2010г., 21:58
Тут в ролике показан замок в чистом виде и тисках...,в реальных условиях эта приспособа может и не подойти... :cs:


Навряд-ли это так. Замки такого типа имеют прямой доступ к каждому кодирующему элементу, как и тубулярные замки. Открывается - проще-простого:

Думаю все ясно. Тут дело в порочном принципе, и ничего сделать нельзя. Глухой угол.

Aquarius

Цитата: Cherepov от 10 декабря, 2010г., 16:02

Думаю все ясно. Тут дело в порочном принципе, и ничего сделать нельзя. Глухой угол.

Нет,я не отвергаю саму возможность...,но что-то совсем непонятно в этом ролике:чем и как делается натяг?!? зажал замок с приспособлением,и набирает код...,а натяг где?! не фальсификация ли это случаем...?... :cs:
С уважением Сергей.
www.dvernoydoktor.ru

Cherepov

13 декабря, 2010г., 13:49 #62 Последнее редактирование: 13 декабря, 2010г., 14:06 от Cherepov
Цитата: Aquarius от 10 декабря, 2010г., 21:59
Нет,я не отвергаю саму возможность...,но что-то совсем непонятно в этом ролике:чем и как делается натяг?!? зажал замок с приспособлением,и набирает код...,а натяг где?! не фальсификация ли это случаем...?... :cs:

Таких роликов в нете много, не думаю, что это деза. А натяг можно создать самим первым подвижным штифтом, особенно если его диаметр чуть больше. Вся проблема в принципе - доступ возможен к каждому штифту.
А по тубулярному еще одно интересное видео набыбал:
- картонкой от туалетной бумаги открывается!!! :o Даже инструмента не нужно.

Aquarius

Цитата: Cherepov от 13 декабря, 2010г., 13:49
...картонкой от туалетной бумаги открывается!!! :o Даже инструмента не нужно.

Да,интересный ролик *Thumbs up* *Drink* А картон из под туалетной бумаги,видимо обладает каким-то особыми волшебными свойствами,в отличие от какого-нибудь другого ;) :D
С уважением Сергей.
www.dvernoydoktor.ru

Aquarius

Замочек для стеклянной дверки.

Интересно,что закрывание происходит посредством подпружиненного металлического круглого ригеля в ответную часть в виде втулки.
С уважением Сергей.
www.dvernoydoktor.ru

Aquarius

Электронные мебельные замки серии 3000 RF фирмы "Kopfgescheit". Нержавеющая сталь, цвет: черный, бесконтактный
   
Технические характеристики
Питание: DC, 6 Вольт, 4 батарейки AA. Есть возможность посмотреть уровень заряда батарей.
Размер мм. (высота х глубина х толщина): 128 х 61 х 21
Вес (гр.): 200
Тип работы: автономный
Потребление энергии (в режиме ожидания / в режиме открытия замка): < 3 микроампер / 250 миллиампер
Время работы от одного комплекта батарей: 10,000 открытий замка (после предупреждения о нехватке заряда питания хватит еще на 150 открытий замка)
Рабочая температура: 20 - 70 °С
Влажность не более 98%
Защита от статического электричества: да, гарантируется полная защита записанной информации.
Окошко для размещения номера замка (наклейки)
Данные электронные замки используются в качестве альтернативной замены обычным замкам в мебели. Они крепятся к внутренней стороне дверцы. Их можно использовать в спортивных клубах, ночных клубах, ресторанах, казино, магазинах, гостиницах, офисах, квартирах, жилых домах и общественных заведениях в любых шкафах, комодах, ящичках и прочих(с)
С уважением Сергей.
www.dvernoydoktor.ru

дмитрий нн

ключ приксимити?не очень понятен принцип работы.
то что не существует,не ломается (сергей королев)

Aquarius

С уважением Сергей.
www.dvernoydoktor.ru

Aquarius

Дальний родственник врезных мебельных замков, замок для фургонов:
С уважением Сергей.
www.dvernoydoktor.ru

Aquarius

Мебельные ручки с цилиндровым замком и сменным цилиндром от фирмы hettich
С уважением Сергей.
www.dvernoydoktor.ru

Aquarius

Таких ещё не было вроде бы...
Производитель PREFER

С уважением Сергей.
www.dvernoydoktor.ru

Aquarius

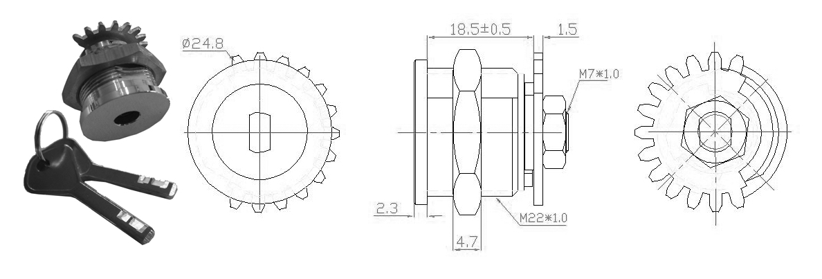
Замок с дисковым механизмом. Был бы ничем не примечателен, если бы не отсутствие привычного запорного "язычка", а наличие вместо него какой-то шестерни.
С уважением Сергей.
www.dvernoydoktor.ru

Aquarius

С уважением Сергей.
www.dvernoydoktor.ru

Aquarius

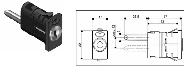
Ещё интересный мебельный замочек, похожий на шпингалет с ключом :)
С уважением Сергей.
www.dvernoydoktor.ru

Aquarius

Цитата: Aquarius от 09 июня, 2011г., 08:53
И ещё:

Еще один образчик ключа-змейки в мебельном/почтовом замочке.Но тут не совсем обычная змейка:нарезка и с краю и в середине ключа.
Я больше подобного нигде не встречал.
С уважением Сергей.
www.dvernoydoktor.ru



Материал сайта ZamkiDveri.org, размещенный в разделах: «Представительства компаний», «Акции, скидки», носит исключительно информационный характер и ни при каких условиях не является публичной офертой, определяемой положениями Статьи 435, 437, 494 Гражданского кодекса РФ. Для получения подробной и точной информации о стоимости продукции, скидках, акциях и спецпредложениях, пожалуйста, обращайтесь напрямую к производителям или официальным дилерам. Указанные цены, технические описания продуктов, в т.ч. в виде графических изображений, являются предварительными и не гарантируются нашим сайтом.